Motor Hidraulik Injap Cakera Siri 6K
Pengenalan Seri 6K
Motor siri 6K menyesuaikan reka bentuk set Geroler termaju dengan aliran pengedaran cakera dan tekanan tinggi.
Unit ini boleh dibekalkan varian individu dalam operasi pelbagai fungsi mengikut keperluan aplikasi.
Ciri ciri:
1. Peranti pembuatan lanjutan untuk set Geroler yang menggunakan tekanan rendah permulaan, menyediakan operasi yang lancar dan boleh dipercayai serta kecekapan tinggi.
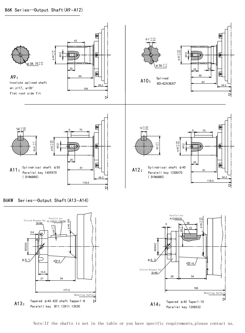
2. Aci keluaran menyesuaikan diri dalam galas roller tirus yang membenarkan daya paksi dan jejari yang tinggi. Boleh menawarkan kapasiti tekanan tinggi dan tork tinggi dalam pelbagai aplikasi.
3. Reka bentuk lanjutan dalam aliran pengedaran cakera, yang secara automatik boleh mengimbangi dalam operasi dengan kecekapan volum tinggi dan jangka hayat yang panjang.
Menyediakan operasi yang lancar dan boleh dipercayai.
Seri 6K disertakan : (6K Standard) 6KW (whee| motor) /6KS (Bear icless)/6KB(Motor ic Hidraul dengan Brek)





Cool tags: 6k bm6 siri tork tinggi motor hidraulik, China 6k bm6 siri tork tinggi motor hidraulik pengeluar, pembekal, kilang


